Strainsert offers a custom Load Pin configurator to allow engineers/designers to input nominal design parameters to determine application feasibility and generate conceptual load pin designs/drawings quickly and effectively. All finalized designs/drawings will be completed and formalized by Strainsert.
Download: Load Sensing Clevis Pin Quick Start Guide

Modify Configuration

Item #
Item #
Type

Bolt Db <= 2"
Non-Recessed Connector
(Type F)

Bolt Db <= 2"
Recessed Connector
(Type E)

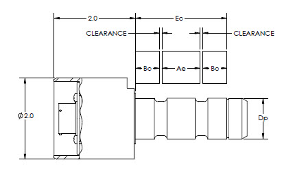
Pin Dp < 2"
Non-Recessed Connector
(Type B)

Pin Dp < 2"
Recessed Connector
(Type A)

Pin Dp >= 2"
Non-Recessed Connector
(Type D)

Pin Dp >= 2"
Recessed Connector
(Type C)
Drawing
Pin Diameter (Dp) (in)

Available Range: 0.230 to 1.990 By 0.001
Clevis Width (Ec) (in)

Available Range: 1 to 25.000 By 0.001
Clevis Eye Width (Ae) (in)

Available Range: 0.438 to 1.814 By 0.001
Clevis Cheek Width (Bc) (in)

Available Range: 0.218 to 0.75 By 0.001